39x28 ALTIMETRÍAS
La Vuelta de 1987

El mapa general de la Vuelta a España de 1987 fue éste:
El cuadro de etapas, con las distancias a cubrir por los corredores fue éste:

Los datos globales de esta edición de la Vuelta, aquí abajo:
Las etapas de más desnivel fueron:
Las llegadas en alto fueron:
En cuanto a los puertos de paso de esta edición:
Las etapas que más duraron en esta edición de 1987 fueron:
PARTICIPACIÓN

*DATOS: Procyclingstats
Vamos a ver, una a una, como fueron las etapas de la Vuelta a España de 1987:
PRÓLOGO
El cuadro de etapas, con las distancias a cubrir por los corredores fue éste:

Los datos globales de esta edición de la Vuelta, aquí abajo:
| Etapas | 22+prólogo |
| Kilómetros | 3922 kms |
| Etapas CRI | 3 (2 + 1 prólogo) |
| Kms CRI | 66 |
| Kms CRE | 0 |
| Llegadas en alto | 4 (Grau Roig, Cerler, Alto Campoo, Lagos) |
| Puertos (total) | 59 |
| Puertos de HC | 4 |
| Puertos de 1ª | 8 |
| Puertos de 2ª | 15 |
| Puertos de 3ª | 19 |
| Puertos de 4ª | 13 |
| Etapas de más de 200 kms | 9 |
| Etapa en línea más larga | 16ª etapa (237 kms) |
| Etapa en línea más corta | 12ª etapa (142 kms) |
| ETAPAS | DISTANCIA | DESNIVEL |
| La Seo d’Urgell-Estación de Cerler | 186 kms | 4500 m |
| Ávila-Destilerías DYC | 183 kms | 4100 m |
| El Barco de Ávila-Ávila | 213 kms | 4000 m |
| Ponteareas-Ponferrada | 237 kms | 3900 m |
| Barcelona-Estación de Grau Roig | 220 kms | 3900 m |
| Santander-Lagos de Covadonga | 179 kms | 3500 m |
| Miranda de Ebro-Estación de Alto Campoo | 213 kms | 3200 m |
| Destilerías DYC-Collado Villalba | 160 kms | 3000 m |
Las llegadas en alto fueron:
| SUBIDA | DESNIVEL | APM | Longitud | Pte.Media | <4% | 4-7% | 7-10% | >10% | CATEGORÍA |
| Lagos de Covadonga | 1053 | 303 | 19 | 5,53% | 6 | 3 | 6 | 4 | ESP |
| Estación de Grau Roig | 1094 | 175 | 23,3 | 4,69 % | 6 | 14 | 3 | 0 | ESP |
| Cerler | 770 | 166 | 13,7 | 5,61% | 5 | 4 | 5 | 0 | ESP |
| Alto Campoo | 705 | 120 | 15,5 | 4,54% | 6 | 9 | 0 | 0 | ESP |
En cuanto a los puertos de paso de esta edición:
| PUERTO | DESNIVEL | APM | Longitud | Pte.Media | <4% | 4-7% | 7-10% | >10% | CATEGORÍA |
| Cantó | 1085 | 210 | 25,2 | 4,30% | 13 | 5 | 7 | 0 | 1ª |
| Escudo | 782 | 202 | 15,6 | 5,01 % | 9 | 2 | 2 | 2 | 1ª |
| Peña Negra | 845 | 141 | 14,8 | 5,70% | 1 | 12 | 2 | 0 | 1ª |
| Navacerrada | 669 | 136 | 10,4 | 6,43 % | 1 | 5 | 4 | 0 | 1ª |
| Abantos | 616 | 134 | 11,5 | 5,36 % | 3 | 4 | 3 | 1 | 1ª |
| Morcuera | 616 | 131 | 9 | 6,84 % | 0 | 4 | 5 | 0 | 1ª |
| Cotos | 682 | 117 | 15,7 | 4,34% | 7 | 8 | 1 | 0 | 1ª |
| Pedro Bernardo | 802 | 111 | 18,4 | 4,35% | 5 | 13 | 0 | 0 | 1ª |
| Fito | 531 | 103 | 9,8 | 5,41 % | 3 | 4 | 3 | 0 | 2ª |
| Perves | 606 | 101 | 13,5 | 4,47% | 7 | 3 | 3 | 0 | 2ª |
| Navafría | 536 | 90 | 9,5 | 5,64 % | 0 | 7 | 2 | 0 | 2ª |
| Espina | 453 | 88 | 8,3 | 5,45% | 2 | 4 | 2 | 0 | 2ª |
| Canencia | 487 | 81 | 14 | 3,47% | 9 | 4 | 1 | 0 | 2ª |
| Ozalba | 388 | 77 | 5,7 | 6,81% | 0 | 4 | 2 | 0 | 2ª |
| Hoz | 424 | 75 | 7,7 | 5,49% | 2 | 4 | 2 | 0 | 2ª |
| Carmona | 340 | 72 | 4,74 | 7,17% | 0 | 2 | 3 | 0 | 2ª |
| Serranillos | 445 | 67 | 9 | 4,94% | 1 | 8 | 0 | 0 | 2ª |
| Navalmoral | 441 | 66 | 8,4 | 5,25% | 0 | 8 | 0 | 0 | 2ª |
| Santa Cruz de Olorde | 399 | 66 | 8,6 | 4,60 % | 3 | 6 | 0 | 0 | 2ª |
| La Mina | 279 | 64 | 5 | 5,58 % | 1 | 3 | 0 | 1 | 2ª |
| Cofrentes | 395 | 62 | 9,7 | 4,07 % | 4 | 5 | 1 | 0 | 2ª |
| Ortiguero | 225 | 35 | 4,2 | 5,35 % | 0 | 4 | 0 | 0 | 2ª |
Las etapas que más duraron en esta edición de 1987 fueron:
| ETAPAS MÁS DURADERAS | ETAPA | TIEMPO | DISTANCIA |
| Miranda de Ebro-Alto Campoo | 10 | 6h 27m 49s | 213 kms |
| Ponteareas-Ponferrada | 16 | 6h 25m 58s | 237 kms |
| Luarca-Ferrol | 13 | 5h 58m 33s | 223 kms |
| Barcelona-Estación de Grau Roig | 6 | 5h 57m 34s | 220 kms |
| Benidorm-Albacete | 1 | 5h 49m 56s | 219 kms |
| El Barco de Ávila-Ávila | 19 | 5h 47m 25s | 213 kms |
| Benasque-Zaragoza | 8 | 5h 43m 04s | 219 kms |
| Seo D’Urgell-Estación de Cerler | 7 | 5h 32m 04s | 186 kms |
| Albacete-Valencia | 2 | 5h 20m 15s | 217 kms |
| Santander-Lagos de Covadonga | 11 | 5h 16m 10s | 179 kms |
| Ávila-Destilerías DYC | 20 | 5h 10m 54s | 183 kms |
PARTICIPACIÓN

Destaca,
en cuanto a la participación, la ausencia de Álvaro Pino, el vencedor
de la edición anterior. El gallego lo intentó hasta el final, pero el
día anterior a darse la salida a la carrera, los dolores en su rodilla
derecha (rotura del ligamento interno) hicieron imposible su
participación. Así, el dorsal 1 finalmente fue llevado por el joven
Jesús Cruz Martín.
En cuanto al resto de corredores, destacaba la presencia del vencedor de los Tours de 1983 y 1984, Laurent Fignon; el vencedor de la Vuelta de 1985, Pedro Delgado, y el de la edición de 1982, Marino Lejarreta. Robert Millar, que había sido segundo los dos años anteriores, optó por ir al Giro (hizo 2º tras Roche), y así el gran favorito era Sean Kelly, quien venía de vencer París-Niza, Itzulia y Criterium Internacional, en tanto que en su campaña de clásicas había sido 4º en la Milan-San Remo y 2º en el Tour de Flandes. En la "parrilla de salida" también se encontraba el vigente Campeón del Mundo, Moreno Argentin, quien, unos días antes se había impuesto en la Lieja-Bastogne-Lieja. ¿Y Lucho Herrera? Se le veía un gran escalador, pero sin regularidad para la General, si bien el recorrido podía favorecer sus intereses.
Un resumen íntegro de aquella Vuelta, con imágenes de "Las Vueltas de Perico":
En cuanto al resto de corredores, destacaba la presencia del vencedor de los Tours de 1983 y 1984, Laurent Fignon; el vencedor de la Vuelta de 1985, Pedro Delgado, y el de la edición de 1982, Marino Lejarreta. Robert Millar, que había sido segundo los dos años anteriores, optó por ir al Giro (hizo 2º tras Roche), y así el gran favorito era Sean Kelly, quien venía de vencer París-Niza, Itzulia y Criterium Internacional, en tanto que en su campaña de clásicas había sido 4º en la Milan-San Remo y 2º en el Tour de Flandes. En la "parrilla de salida" también se encontraba el vigente Campeón del Mundo, Moreno Argentin, quien, unos días antes se había impuesto en la Lieja-Bastogne-Lieja. ¿Y Lucho Herrera? Se le veía un gran escalador, pero sin regularidad para la General, si bien el recorrido podía favorecer sus intereses.
Un resumen íntegro de aquella Vuelta, con imágenes de "Las Vueltas de Perico":
PRÓLOGO
La
Vuelta a España se abre el 23 de abril con un prólogo de 6,6 kilómetros
en el que vence Jean-Luc Vandenbroucke, del equipo KAS, quien se impone
a su compañero y gran favorito para la General, Sean Kelly, por seis
segundos.
Resumen de la etapa.
ETAPA 1

El viento era el gran peligro de la primera etapa de la Vuelta '87 e hizo que la media fuera baja (poco más de 37 km/h) para el terreno por el que se transcurrió. Venció al sprint Sean Kelly (sí, el gran favorito de la General, capaz de imponerse en cualquier terreno) por delante de grandes especialistas como Alfonso Gutiérrez o Manuel Jorge Domínguez.
También al sprint se resolvió la segunda etapa de la Vuelta y también se metió, aunque no con tanta suerte como en la anterior, el entonces líder Sean Kelly, quien fue 2º. Venció el italiano Rosola y se vistió de "amarillo" su compatriota Roberto Pagnin fruto de las bonificaciones.
Los últimos kilómetros de la etapa.
ETAPA 3
La tercera etapa es una crono en Valencia de 35,4 kilómetros (aunque recortado el día de celebración de la prueba en 600 metros, con lo que la distancia fue de 34,8 kilómetros). Allí Sean Kelly se impone a Blanco Villar (en 19 segundos) y Cabestany (en 22 segundos). Fignon entrará a 1:36; Delgado, a 1:51 y Lucho Herrera, 2:36. De esta etapa el irlandés volverá a salir como líder.
ETAPA 4

La
cuarta etapa apuntaba a una resolución al sprint...y así fue, pese a
vivir varias escaramuzas en la zona intermedia, plagada de subidas,
carreteras reviradas y una gran vivacidad en el pelotón. Se impone
Alfonso Gutiérrez en la meta de Villarreal.
ETAPA 5

Resumen de la etapa.
ETAPA 1

El viento era el gran peligro de la primera etapa de la Vuelta '87 e hizo que la media fuera baja (poco más de 37 km/h) para el terreno por el que se transcurrió. Venció al sprint Sean Kelly (sí, el gran favorito de la General, capaz de imponerse en cualquier terreno) por delante de grandes especialistas como Alfonso Gutiérrez o Manuel Jorge Domínguez.
ETAPA 2


También al sprint se resolvió la segunda etapa de la Vuelta y también se metió, aunque no con tanta suerte como en la anterior, el entonces líder Sean Kelly, quien fue 2º. Venció el italiano Rosola y se vistió de "amarillo" su compatriota Roberto Pagnin fruto de las bonificaciones.
Los últimos kilómetros de la etapa.
ETAPA 3
La tercera etapa es una crono en Valencia de 35,4 kilómetros (aunque recortado el día de celebración de la prueba en 600 metros, con lo que la distancia fue de 34,8 kilómetros). Allí Sean Kelly se impone a Blanco Villar (en 19 segundos) y Cabestany (en 22 segundos). Fignon entrará a 1:36; Delgado, a 1:51 y Lucho Herrera, 2:36. De esta etapa el irlandés volverá a salir como líder.
ETAPA 4

ETAPA 5

La
quinta etapa, con un perfil bastante quebrado en su segunda mitad,
vivirá un nuevo cambio en el liderato de la prueba, pues a la meta de
Barcelona llegará la escapada conformada por Roberto Pagnin y Henri
Abadie.
ETAPA 6

FUENTES: Libro de ruta de la Vuelta a España de 1987; Hemeroteca de Mundo Deportivo, Hemeroteca de El Comercio, Archivo de RTVE, RocoBike, Altimetrías de Aragón, Recorridos Ciclistas Cantabria, Ramacabici, Flamme Rouge

La
alta montaña llega a la Vuelta '87 en la sexta etapa, la cual cuenta
con 220 kilómetros, 3900 metros de desnivel y los pasos de montaña de
Vacarisses, Clariana, Clara y, sobre todo, la larguísima ascensión a
Grau Roig (que es casi toda Envalira por Andorra). Grau Roig es,
además, la cima más alta de la Vuelta con sus 2110 metros de altitud.
La etapa vivirá la escapada de Jesús Ibáñez Loyo, quien se presenta con
una gran renta al inicio de la subida (más de 22 kilómetros de ascenso
desde Andorra) lo que le servirá para ganar sin apuros frente a los
favoritos de la General. Por detrás, Belda se va con Lucho Herrera,
quien sacará en meta 21 segundos a Delgado, 1:01 al grupo de
Kelly y Dietzen, tanto que Laurente Fignon ya pierde con el colombiano
2:28.
ETAPA 7

Al día siguiente tiene lugar la etapa de más desnivel de toda la Vuelta '87 (4500 metros de desnivel). Será el día en que se estrene en la ronda española la ascensión a la estación de Cerler, la cual se convertirá en un clásico de la carrera en esa década y en la siguiente. La etapa de Cerler servirá para descubrir a uno de los mejores escaladores nacionales, Laudelino Cubino, quien logrará su primera victoria en la Vuelta, entrando escapado por delante de Lucho Herrera, segundo en la etapa. El gran escalador colombiano vuelve a sacar ventaja a los favoritos en esta cima: 33 segundos a Delgado y Dietzen; 1:12 a Fignon y Fuerte; 1:51 a Kelly y Gorospe, en tanto que Lejarreta entrará a más de 15 minutos. Seguirá como líder, por segundo día consecutivo, Dietzen.
ETAPA 7

Al día siguiente tiene lugar la etapa de más desnivel de toda la Vuelta '87 (4500 metros de desnivel). Será el día en que se estrene en la ronda española la ascensión a la estación de Cerler, la cual se convertirá en un clásico de la carrera en esa década y en la siguiente. La etapa de Cerler servirá para descubrir a uno de los mejores escaladores nacionales, Laudelino Cubino, quien logrará su primera victoria en la Vuelta, entrando escapado por delante de Lucho Herrera, segundo en la etapa. El gran escalador colombiano vuelve a sacar ventaja a los favoritos en esta cima: 33 segundos a Delgado y Dietzen; 1:12 a Fignon y Fuerte; 1:51 a Kelly y Gorospe, en tanto que Lejarreta entrará a más de 15 minutos. Seguirá como líder, por segundo día consecutivo, Dietzen.
ETAPA 8

Tras dos intensas jornadas montañososas llegaría una jornada de transición y 219 kilómetros entre Benasque y Zaragoza, meta del día en donde se vive una emocionante llegada resuelta con la victoria de Iñaki Gastón.

Tras dos intensas jornadas montañososas llegaría una jornada de transición y 219 kilómetros entre Benasque y Zaragoza, meta del día en donde se vive una emocionante llegada resuelta con la victoria de Iñaki Gastón.
ETAPA 9

En Pamplona vence Felipe Yáñez, quien llega escapado a meta, y la General no sufre cambios en sus primeras posiciones, con Raymond Dietzen ocupando el primer puesto seguido de Sean Kelly a tan solo dos segundos. Llegan, ahora, las etapas "cantábricas"...
Sin embargo, días más tarde, en plena Vuelta el corredor será descalificado por dopaje, declarándose ganador de la misma a Antonio Esparza, quien había ocupado el segundo lugar en meta.

Etapa
de montaña de fondo (213 kilómetros) con los pasos de Estacas de Trueba
(3ª), el Escudo (de 1ª) y final en Alto Campoo (de Categoría Especial).
La bajada del primer puerto fue aprovechada por Enrique Aja para cobrar
ventaja sobre los favoritos y ya en la ascensión final deja a su
compañero de fugas, Erwin Nijboer. Por detrás, en el grupo principal
apenas hay escaramuzas por la adversa climatología (nieve, lluvia,
frío) y por tener al día siguiente la dura y difícil subida a Lagos de
Covadonga.

En Pamplona vence Felipe Yáñez, quien llega escapado a meta, y la General no sufre cambios en sus primeras posiciones, con Raymond Dietzen ocupando el primer puesto seguido de Sean Kelly a tan solo dos segundos. Llegan, ahora, las etapas "cantábricas"...
Sin embargo, días más tarde, en plena Vuelta el corredor será descalificado por dopaje, declarándose ganador de la misma a Antonio Esparza, quien había ocupado el segundo lugar en meta.
ETAPA 10

ETAPA 11

El colombiano Lucho Herrera ya había dado muestras, en las etapas pirenaicas, de encontrarse muy fuerte, sacando tiempo a todos los favoritos, pero aún no había asestado un gran golpe. Éste llegó en la etapa reina, la de la llegada a Lagos de Covadonga, emblema de la carrera desde su primera ascensión, cuatro años atrás. Lucho ataca ya en las primeras rampas, se va en solitario y fulmina a todos sus rivales. Las diferencias en meta son casi abismales: Belda entra en segunda posición con Kelly a 1:26; Dietzen, el hasta entonces líder, llega a 1:39; Cubino, ganador en Cerler, entra a 1:57; en tanto que Lejarreta pierde 2:21; Delgado, 3:11, y Fignon, 3:51.
Herrera se convertirá en el primer colombiano en liderar la Vuelta a España.
Retransmisión de los últimos kilómetros.

La etapa de Oviedo se vivió con muchísimo ritmo y lo prueba Marino Lejarreta, cazado a falta de treinta kilómetros para la llegada. Todo parecía indicado a una llegada al sprint, pero en los últimos kilómetros un fuerte demarraje de Carlos Hernández, sorprende a todos y llega como vencedor.

El colombiano Lucho Herrera ya había dado muestras, en las etapas pirenaicas, de encontrarse muy fuerte, sacando tiempo a todos los favoritos, pero aún no había asestado un gran golpe. Éste llegó en la etapa reina, la de la llegada a Lagos de Covadonga, emblema de la carrera desde su primera ascensión, cuatro años atrás. Lucho ataca ya en las primeras rampas, se va en solitario y fulmina a todos sus rivales. Las diferencias en meta son casi abismales: Belda entra en segunda posición con Kelly a 1:26; Dietzen, el hasta entonces líder, llega a 1:39; Cubino, ganador en Cerler, entra a 1:57; en tanto que Lejarreta pierde 2:21; Delgado, 3:11, y Fignon, 3:51.
Herrera se convertirá en el primer colombiano en liderar la Vuelta a España.
Retransmisión de los últimos kilómetros.
ETAPA 12

La etapa de Oviedo se vivió con muchísimo ritmo y lo prueba Marino Lejarreta, cazado a falta de treinta kilómetros para la llegada. Todo parecía indicado a una llegada al sprint, pero en los últimos kilómetros un fuerte demarraje de Carlos Hernández, sorprende a todos y llega como vencedor.
ETAPA 13


Hasta
223 kilómetros tenía la etapa de Ferrol, la que verá como triunfador a
Carlos Emiro Gutiérrez, la que le vio todo el día escapado. Sí, fue la
mayor escapada de toda la Vuelta '87, y fue el mismo día en que
resurgió Laurent Fignon, quien ataca en los últimos kilómetros y logra
recortar un minuto al líder Lucho Herrera.
ETAPA 14

Nuea etapa de perfil quebrado y nuevamente llegan los escapados. En esta ocasión será el turno del veterano Juan Fernández (sí, el futuro director del CLAS), que se impone a René Beuker (neoprofesional del PDM, el equipo de Perico).

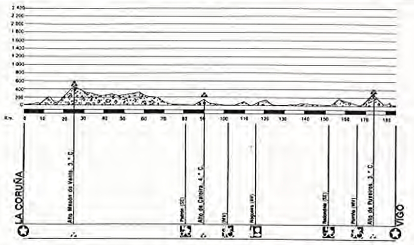
Otro perfil quebrado, entre A Coruña y Vigo, y otra vez que va a llegar la escapada, esta vez a cargo del corredor del Caja Rural, Antonio Esparza, quien rueda en solitario hasta 100 kilómetros. Por detrás vuelve a intentarlo Laurent Fignon, haciendo trabajar al resto de equipos para que el francés no recorte diferencias. El pelotón entrará agrupado en Vigo con Alfonso Gutiérrez encabezando el mismo.
ETAPA 14

Nuea etapa de perfil quebrado y nuevamente llegan los escapados. En esta ocasión será el turno del veterano Juan Fernández (sí, el futuro director del CLAS), que se impone a René Beuker (neoprofesional del PDM, el equipo de Perico).
ETAPA 15

Otro perfil quebrado, entre A Coruña y Vigo, y otra vez que va a llegar la escapada, esta vez a cargo del corredor del Caja Rural, Antonio Esparza, quien rueda en solitario hasta 100 kilómetros. Por detrás vuelve a intentarlo Laurent Fignon, haciendo trabajar al resto de equipos para que el francés no recorte diferencias. El pelotón entrará agrupado en Vigo con Alfonso Gutiérrez encabezando el mismo.
ETAPA 16

Había muchas esperanzas puestas en este gran recorrido planteado entre Ponteareas y Ponferrada, la etapa más larga de la edición (237 kilómetros) y que acumulaba un desnivel de 3900 metros. Terreno "muy hostil" por el que transitaba y los pasos de montaña de Fontefría (3ª), Rodicio (3ª), Trives (4ª) y Hermida (3ª), además de otras cotas no catalogadas para el Gran Premio de la Montaña, como podéis ver en el perfil.
Por otro lado esta etapa y la siguiente, que transcurrían por el Bierzo, zona en lucha contra los empresarios corría el peligro de verse cortada por los mineros.
Tras diversas escaramuzas en los primeros kilómetros, se conforma un trío conformado por los corredores Dominique Arnaud, Henri Abadie y Santiago Portillo, llegando a cobrar una diferencia de casi 19 minutos. Pero un pinchazo de Arnaud a falta de menos de 30 kilómetros es respondido con un ataque de Portillo, y "el pacto" para trabajar conjuntamente y dilucidar al sprint entre los tres en Ponferrada, salta por los aires. Arnaud vuelve a alcanzar a sus compañeros de fuga y acto seguido les ataca y entra victorioso y en solitario en la meta, con más de un minuto de diferencia sobre Abadie y Portillo, y 8:57 sobre una pequeña avanzadilla del pelotón y 9:23 sobre el gra grupo.
Cuatro
años hacía que la Vuelta a España no llegaba a Ávila, cuatro años
desde la brutal exhibición de Bernard Hinault, número 1 en aquellos
tiempos y que con toda su rabia, y tras una ronda española en la que
tuvo que "remar a contracorriente" en muchas fases de la misma,
destrozó la General y a un joven líder, Julián Gorospe. Hinault se
vistió de líder en aquella ocasión, ganó la etapa y certificó su
segunda victoria en la Vuelta a España. Pues bien, con un perfil
similar (en esta ocasión se sale de la localidad de El Barco de Ávila,
y se suben, además, Santa María de Gredos, de 4ª, y Serranillos
por su vertiente de Pedro Bernardo) la etapa tendrá un desarrollo
similar: será el gran Laurent Fignon quien se vaya por delante...
Pero el primer gran protagonista será Sean Kelly, el hasta entonces líder, quien abandona poco antes de comenzar la primera ascensión del día, el puerto de Peña Negra, por un "forúnculo". Y ya a partir de ahí se desata la tormenta en el pelotón, primero para tomar la bonificación de Piedrahita, donde por la meta volante pasará primero Dietzen, recortando así tiempo con el virtual líder Lucho Herrera (de 10 segundos pasa a estar a 6). Y en el propio puerto el ritmo es alto, con sucesivas escaramuzas en el tramo posterior, plagado de "trampas" (la propia subida no catalogada de Hoyos del Collado, la suave vertiente oeste de la subida al Parador de Gredos o la cara norte del puerto del Pico, también muy liviana, y el catalogado de cuarta, el alto de Santa María de Gredos). El pelotón rueda ya destrozado cuando arranca ya la parte definitiva del día conformada por el enlazado Pedro Bernardo-Serranillos-Navalmoral. Será a falta de 59 kilómetros cuando ataque Laurent Fignon y, más tarde, Lucho Herrera, entrando destacados ambos (por separado) en la meta de Ávila.
La General ha variado notablemente y Lucho Herrera pasa a liderarla ahora con 1:10 sobre Dietzen, en tanto que Fignon se ha encaramado de la 11ª posición a la 3ª.
Los últimos kilómetros de la etapa:
ETAPA 20

La vigésima etapa de la Vuelta '87 es la segunda de más desnivel de la edición: hasta 4100 metros de acumulado, pasando los puertos de El Boquerón, Arrebatacapas, Robledo, Cruz Verde, Abantos, la Mina y Navacerrada.
La batalla se desencadena ya desde la primera ascensión, cuando el equipo de Fignon lanza corredores por delante en vistas a un posible ataque del ganador de los Tours de 1983 y 1984, pero la alianza entre los equipos colombianos (Café de Colombia y Postobón) hará que se quede en intento de tentativa. Aún así Fignon lo intentará en las rampas de Abantos, al igual que Dietzen, Delgado, Arroyo y un largo etcétera en Navacerrada, pero a la meta de Palazuelos de Eresma llegará destacado Omar Hernández y el pelotón de favoritos, a cuatro minutos.
ETAPA 22

La última jornada de la Vuelta '87 cuenta con 173 kilómetros, el paso montañoso de Morata (4ª) y cuatro vueltas al circuito de San Isidro (de 5,7 kilómetros). Se impondrá el corredor Jaime Vilamajó, quien ataca a falta de una vuelta para concluir y entrará destacado por delante del pelotón. La General irá a parar a Lucho Herrera, por primera vez para un corredor colombiano.
Narración de los últimos kilómetros por RCN.

Había muchas esperanzas puestas en este gran recorrido planteado entre Ponteareas y Ponferrada, la etapa más larga de la edición (237 kilómetros) y que acumulaba un desnivel de 3900 metros. Terreno "muy hostil" por el que transitaba y los pasos de montaña de Fontefría (3ª), Rodicio (3ª), Trives (4ª) y Hermida (3ª), además de otras cotas no catalogadas para el Gran Premio de la Montaña, como podéis ver en el perfil.
Por otro lado esta etapa y la siguiente, que transcurrían por el Bierzo, zona en lucha contra los empresarios corría el peligro de verse cortada por los mineros.
Tras diversas escaramuzas en los primeros kilómetros, se conforma un trío conformado por los corredores Dominique Arnaud, Henri Abadie y Santiago Portillo, llegando a cobrar una diferencia de casi 19 minutos. Pero un pinchazo de Arnaud a falta de menos de 30 kilómetros es respondido con un ataque de Portillo, y "el pacto" para trabajar conjuntamente y dilucidar al sprint entre los tres en Ponferrada, salta por los aires. Arnaud vuelve a alcanzar a sus compañeros de fuga y acto seguido les ataca y entra victorioso y en solitario en la meta, con más de un minuto de diferencia sobre Abadie y Portillo, y 8:57 sobre una pequeña avanzadilla del pelotón y 9:23 sobre el gra grupo.
ETAPA 17

"Mi novia, a quien dedico el triunfo, me obligó a retirarme". Estas fueron las palabras de Roberto Pagnin, quien estaba siendo una de las grandes sensaciones de la carrera...y era conocido como "Gigi el amoroso". El italiano llevaba dos etapas ganadas, había vestido el maillot de líder y era ya, en Valladolid, el único corredor de Gewiss-Bianchi que se mantenía en carrera. Pero también declaró que "se había desorbitado el asunto con una azafata colombiana de la carrera"... Cierto o no, Pagnin abandonó en Valladolid tras una gran victoria en una etapa de más de 220 kilómetros en la que se rodó a una media superior a los 45 kilómetros por hora, hubo abanicos y la tan "cacareada" frase de que las etapas llanas son aburridas encontró aquí una respuesta más: se formó un abanico en el pelotón, a la salida de Villalpando (a más de 50 kilómetros de meta) aprovechado por Fignon (cómo no) y Kelly, junto a sus compañeros, poniendo en jaque durante varios kilómetros tanto a Herrera, líder, como a Belda. Finalmente hubo reagrupamiento y el abanico quedó en susto.
ETAPA 18 (CRI en Valladolid de 24 kms)
Sean Kelly recuperó el liderato en la C.R.I. de Valladolid (de 24 kilómetros) si bien la victoria de etapa fue a parar al corredor Jesús Blanco Villar. El irlandés del KAS aventajó en 1:20 a Lucho Herrera, quien a su vez quedó por delante de Delgado (a 1:29 de Kelly), de Belda (a 2:23 de Kelly), y a poca distancia de Fignon. Quedaban tres etapas de montaña por delante y la General estaba así:
1º) Sean Kelly
2º) Lucho Herrera, a 0:42
3º) Reimund Dietzen, a 0:52
4º) Pedro Delgado, a 3:39.
5º) Óscar de Jesús Vargas, a 3:39
6º) Vicente Belda, a 4:22
7º) Laudelino Cubino, a 4:42
8º) Jesús Blanco Villar, a 4:46
9º) Anselmo Fuerte, a 4:47
10º) Marc Madiot, a 5:07
En tanto que Laurent Fignon ocupaba el puesto 11 a 5:18...
ETAPA 19


"Mi novia, a quien dedico el triunfo, me obligó a retirarme". Estas fueron las palabras de Roberto Pagnin, quien estaba siendo una de las grandes sensaciones de la carrera...y era conocido como "Gigi el amoroso". El italiano llevaba dos etapas ganadas, había vestido el maillot de líder y era ya, en Valladolid, el único corredor de Gewiss-Bianchi que se mantenía en carrera. Pero también declaró que "se había desorbitado el asunto con una azafata colombiana de la carrera"... Cierto o no, Pagnin abandonó en Valladolid tras una gran victoria en una etapa de más de 220 kilómetros en la que se rodó a una media superior a los 45 kilómetros por hora, hubo abanicos y la tan "cacareada" frase de que las etapas llanas son aburridas encontró aquí una respuesta más: se formó un abanico en el pelotón, a la salida de Villalpando (a más de 50 kilómetros de meta) aprovechado por Fignon (cómo no) y Kelly, junto a sus compañeros, poniendo en jaque durante varios kilómetros tanto a Herrera, líder, como a Belda. Finalmente hubo reagrupamiento y el abanico quedó en susto.
ETAPA 18 (CRI en Valladolid de 24 kms)
Sean Kelly recuperó el liderato en la C.R.I. de Valladolid (de 24 kilómetros) si bien la victoria de etapa fue a parar al corredor Jesús Blanco Villar. El irlandés del KAS aventajó en 1:20 a Lucho Herrera, quien a su vez quedó por delante de Delgado (a 1:29 de Kelly), de Belda (a 2:23 de Kelly), y a poca distancia de Fignon. Quedaban tres etapas de montaña por delante y la General estaba así:
1º) Sean Kelly
2º) Lucho Herrera, a 0:42
3º) Reimund Dietzen, a 0:52
4º) Pedro Delgado, a 3:39.
5º) Óscar de Jesús Vargas, a 3:39
6º) Vicente Belda, a 4:22
7º) Laudelino Cubino, a 4:42
8º) Jesús Blanco Villar, a 4:46
9º) Anselmo Fuerte, a 4:47
10º) Marc Madiot, a 5:07
En tanto que Laurent Fignon ocupaba el puesto 11 a 5:18...
ETAPA 19

Pero el primer gran protagonista será Sean Kelly, el hasta entonces líder, quien abandona poco antes de comenzar la primera ascensión del día, el puerto de Peña Negra, por un "forúnculo". Y ya a partir de ahí se desata la tormenta en el pelotón, primero para tomar la bonificación de Piedrahita, donde por la meta volante pasará primero Dietzen, recortando así tiempo con el virtual líder Lucho Herrera (de 10 segundos pasa a estar a 6). Y en el propio puerto el ritmo es alto, con sucesivas escaramuzas en el tramo posterior, plagado de "trampas" (la propia subida no catalogada de Hoyos del Collado, la suave vertiente oeste de la subida al Parador de Gredos o la cara norte del puerto del Pico, también muy liviana, y el catalogado de cuarta, el alto de Santa María de Gredos). El pelotón rueda ya destrozado cuando arranca ya la parte definitiva del día conformada por el enlazado Pedro Bernardo-Serranillos-Navalmoral. Será a falta de 59 kilómetros cuando ataque Laurent Fignon y, más tarde, Lucho Herrera, entrando destacados ambos (por separado) en la meta de Ávila.
La General ha variado notablemente y Lucho Herrera pasa a liderarla ahora con 1:10 sobre Dietzen, en tanto que Fignon se ha encaramado de la 11ª posición a la 3ª.
Los últimos kilómetros de la etapa:
Y aquí el resumen de la jornada:
ETAPA 20

La vigésima etapa de la Vuelta '87 es la segunda de más desnivel de la edición: hasta 4100 metros de acumulado, pasando los puertos de El Boquerón, Arrebatacapas, Robledo, Cruz Verde, Abantos, la Mina y Navacerrada.
La batalla se desencadena ya desde la primera ascensión, cuando el equipo de Fignon lanza corredores por delante en vistas a un posible ataque del ganador de los Tours de 1983 y 1984, pero la alianza entre los equipos colombianos (Café de Colombia y Postobón) hará que se quede en intento de tentativa. Aún así Fignon lo intentará en las rampas de Abantos, al igual que Dietzen, Delgado, Arroyo y un largo etcétera en Navacerrada, pero a la meta de Palazuelos de Eresma llegará destacado Omar Hernández y el pelotón de favoritos, a cuatro minutos.
ETAPA 21

La última oportunidad para los escaladores llegaba con esta jornada con "el póker de Guadarrama", esto es, Navafría, Canencia, Morcuera y Cotos. En la etapa habrá intentos variados antes del primer puerto, en el pestoso tramo que une Torrecaballeros con el inicio de Navafría, pero ya en la subida se destaca Pacho Rodríguez, del BH, quien pasará destacado por todos los puertos del día y llegará triunfador a la meta de Collado Villalba. Por detrás el propio líder, en la Morcuera, ataca a todos sus rivales y pasa con dos minutos de diferencia con sus rivales, quienes lo alcanzarán antes de iniciar la última ascensión, Cotos.

La última oportunidad para los escaladores llegaba con esta jornada con "el póker de Guadarrama", esto es, Navafría, Canencia, Morcuera y Cotos. En la etapa habrá intentos variados antes del primer puerto, en el pestoso tramo que une Torrecaballeros con el inicio de Navafría, pero ya en la subida se destaca Pacho Rodríguez, del BH, quien pasará destacado por todos los puertos del día y llegará triunfador a la meta de Collado Villalba. Por detrás el propio líder, en la Morcuera, ataca a todos sus rivales y pasa con dos minutos de diferencia con sus rivales, quienes lo alcanzarán antes de iniciar la última ascensión, Cotos.
ETAPA 22

La última jornada de la Vuelta '87 cuenta con 173 kilómetros, el paso montañoso de Morata (4ª) y cuatro vueltas al circuito de San Isidro (de 5,7 kilómetros). Se impondrá el corredor Jaime Vilamajó, quien ataca a falta de una vuelta para concluir y entrará destacado por delante del pelotón. La General irá a parar a Lucho Herrera, por primera vez para un corredor colombiano.
Narración de los últimos kilómetros por RCN.
FUENTES: Libro de ruta de la Vuelta a España de 1987; Hemeroteca de Mundo Deportivo, Hemeroteca de El Comercio, Archivo de RTVE, RocoBike, Altimetrías de Aragón, Recorridos Ciclistas Cantabria, Ramacabici, Flamme Rouge